Скачай приложение iTest
Готовься к школьным экзаменам в более удобном формате
Вариант 3
-
қысым
-
магнит ағыны
-
Катер прошел по озеру 3 км в восточном направлении, затем развернулся и ещё 4 км в западном. Определите величину перемещения.
-
Какую силу надо приложить, чтобы пружину жесткостью 80 Н/м сжать на 3 см?
-
Вычислите удельную теплоту сгорания дизельного топлива, если при полном сгорании 300 г выделилось 12,6 МДж энергии.
-
Определите полезную работу, произведенную при подъеме груза с помощью системы блоков, если затраченная работа составила 36 кДж, а КПД механизма 85%.
-
Заряд \(10 \cdot 10^{-7}\) Кл помещен в однородное электростатическое поле. Сила,
действующая на заряд со стороны поля, равна \(2 \cdot 10^{-5}\) Н. Какова
напряженность поля? -
На рисунке показано направление внешнего магнитного поля и силы, с которой это поле действует на проводник с током. Как направлено движение электронов в проводнике?

-
На рисунке показана зависимость линейного увеличения предмета от его расстояния до рассеивающей линзы. Определите фокусное расстояние этой линзы.

-
В цилиндрический стакан объёмом 200 см\(^3\) до краев налита вода. Определите величину силы давления воды на дно стакана. (плотность воды 1000 кг/м\(^3\))
-
Энергия падающего на металл фотона в три раза больше работы выхода. Во сколько раз кинетическая энергия фотоэлектронов отличается от работы выхода?
-
Ток, проходя по спирали с сопротивлением 200 Ом выделяет 6 кДж теплоты в течении 30 с. Определить ЭДС элемента, если его внутреннее сопротивление 3 Ом.
-
Во сколько раз изменится импульс фотона при переходе из вакуума в стекло?
(Абсолютный показатель преломления стекла: 1,5)
-
Математический маятник совершает гармонические колебания. Определить длину нити, на которой висит этот шарик, если путь равный четырем амплитудам он проходит за две секунды. \((\pi^2=10)\)
-
С какой скоростью двигается система отсчета, если в ней часы идут в 0,8 раз медленнее, чем на Земле?
-
Используя информацию, приведенную на рисунке определить работу газа при его расширении от 2 м\(^3\) до 4 м\(^3\).

-
На дифракционную решётку с периодом d = 1 мкм перпендикулярно её поверхности падает монохроматический свет. Определите длину волны, если первый дифракционный максимум наблюдается под углом 30°.
-
Тело массой 0,6 кг под действием силы величиной 20 Н, двигается по поверхности потолка. С какой силой давит это тело на потолок, если линия действия этой силы составляет 30° к горизонту?

-
Тело, без начальной скорости, в течение времени t=4 с двигалось равноускоренно с ускорением a=2 м/с\(^2\). Далее путь S=32 м тело двигалось равномерно. Определить среднюю скорость тела.
-
Заряженная частица влетает в однородное магнитное поле и движется по окружности радиуса R. По какой из нижеприведенных формул можно определить импульс этой частицы?
-
Линейка подвешена к гвоздю в точке О, расположенной в верхней части линейки. Какая сила создает момент, возвращающий линейку в положение устойчивого равновесия?

-
Шарик массой 0,4 г обладающий зарядом 8 мкКл находится в равновесии в электростатическом поле. Определить величину и направление поля.
-
Радиоактивный свинец 82212Pb, испытав один \(\alpha\) – распад и два \(\beta\) – распада, превратился в изотоп
-
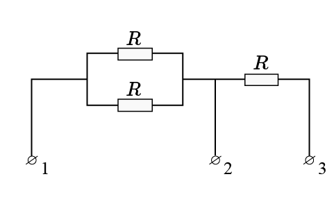
К каким клеммам необходимо подключить источник постоянного напряжения, чтобы ток в данной цепи был бы максимален? (Сопротивления всех резисторов одинаковы).

-
В баллоне находится идеальный газ в количестве 4 моль. При увеличении температуры в четыре раза давление этого газа осталось прежним. Какое количество вещества вышло из баллона?
-
В идеальном колебательном контуре заряд на пластинах конденсатора изменяется по закону: \(q=0,06 \ sinsin \ 3 \pi t\) (мКл). Определить максимальное значение энергии магнитного поля катушки, если емкость конденсатора равна 20 нФ.
-
3/5 своего пути автомобиль прошел со скоростью, остальную часть пути — со скоростью \(3v\). Какова средняя скорость движения автомобиля?
-
Относительная влажность воздуха в закрытом сосуде при температуре \(t_1=20°C\) равна ϕ\(_1\) = 30%. Определить относительную влажность воздуха при температуре \(t_2=8°C\). При \(t_1\) давление насыщенных паров воды \(p_{н1} = 2,33\) кПа, при \(t_2\) оно равно \(p_{и2} = 1,07\) кПа.
-
Длина волны в первой среде 4 м, а при переходе во вторую среду становится равной 6 м. Как отличатся частоты колебаний этих волн в этих средах?
-
Мнимое изображение предмета в пять раз больше самого предмета. Определить фокусное расстояние и оптическую силу этой линзы, если предмет находится на расстоянии 4 см от неё.
-
В сосуде находится газ с молярной массой М=28 г/моль. Определить концентрацию молекул газа в сосуде, если плотность газа \(p=1,4 \ кг/м^3. \ (N_A=6 \cdot 10^{23} \ моль^{-1})\)
-
Кинетическая энергия гармонически колеблющегося тела изменяется с течением времени так, как показано на рисунке. Определить значение потенциальной и полной энергии этого тела в момент времени 20 секунд.

-
Идеальная тепловая машина, работающая по циклу Карно, за цикл получает от нагревателя количество теплоты \(Q_1\). Температура нагревателя \(T_1\), температура холодильника \(T_2\). Найти работу \(A\), совершаемую машиной за один цикл, и количество теплоты \(Q_2\), отдаваемое холодильнику за один цикл.
Установите соответствие между физическими величинами и формулами, по которым их можно рассчитать. -
работа, совершаемая двигателем за цикл
-
количество теплоты \(Q_2\)
-
Внутрь плоского воздушного заряженного конденсатора вносят диэлектрик с диэлектрической проницаемостью ε. Диэлектрик заполняет все пространство между обкладками. Во сколько раз изменится электроемкость конденсатора и напряженность электрического поля в этом конденсаторе?
Для каждой величины определите соответствующий характер изменения:
-
электроемкость конденсатора
-
напряжённость электрического поля между обкладками
-
Железный шар массой 0,2 кг движется со скоростью 0,6 м/с. После удара о стенку шар стал двигаться в противоположном направлении со скоростью 0,4 м/с. Сопоставьте правильные ответы:
-
изменение импульса шара
-
количество теплоты выделившееся при ударе
-
Установите соответствия между физическими величинами и их единицами измерения в системе СИ.
-
частота колебаний
-
мощность
-
Установите соответствия между физическими величинами и их измерительными приборами
-
плотность веществ
-
объем жидкостей