Скачай приложение iTest
Готовься к школьным экзаменам в более удобном формате
Вариант 1
-
Используя информацию приведенную на рисунке определить проекцию скорости.

-
Груз какого веса можно поднять с помощью подвижного блока, прикладывая силу 26 Н?
-
Рассчитайте, какое количество теплоты отдаст чугунная печь при остывании от 90°С до 40°С. Масса печи 1500 кг.
(удельная теплоемкость чугуна 540\(\frac{Дж}{кг \cdot°С}\)) -
Площадь малого поршня гидравлического пресса 5 см\(^2\), а большого -225 см\(^2\). С какой силой нужно действовать на малый поршень, чтобы большой поршень развивал силу 36 кН?
-
Найдите напряженность электрического поля, создаваемого точечным зарядом 36 мкКл, на расстоянии 6 м от него. \(\bigl(k = 9 \cdot 10^9 \frac{H \cdot м^2}{Кл^2}\bigr)\)
-
Определите индукцию магнитного поля, в котором на прямой провод длиной 10 см, расположенный под углом 45° к линиям магнитной индукции, действует сила 0,2 Н, когда по проводнику проходит ток 8 А.
\((sin \sin 45° – cos \cos 45° – 0,71)\)
-
Угол падения света на плоское зеркало равен 16°. Каков угол между отраженным лучом и зеркалом?
-
Как изменится давление, оказываемое грузом на горизонтальную поверхность, если его вес увеличить в 3 раза, а площадь опоры в 2 раза уменьшить?
-
Какой кинетической энергией обладают электроны, вырванные с поверхности меди, при облучении ее светом с частотой 6∙10\(^{16}\) Гц? Красная граница фотоэффекта для меди 270 нм.
\((h = 6.63 \cdot 10^{-34} Дж \cdot с, \ c = 3 \cdot 10^8 м/с)\)
-
На рисунке показано направление силы, с которой внешнее магнитное поле действует на данный проводник с током. Какое направление имеет это магнитное поле?

-
На экране, находящемся в воздухе в некоторой точке, наблюдается интерференционный максимум лучей, разность хода которых равна 1,2 мкм. Чему равна разность хода лучей, если они распространяются в среде с абсолютным показателем преломления 3 и наблюдается максимум того же порядка?
-
Какой из точек на диаграмме зависимости длины математического маятника и ускорения свободного падения, соответствует минимальный период колебаний?

-
Длина неподвижного стержня \(l_₀\)= 1 м. Определить длину стержня, если он движется со скоростью
\(u\) = 0,6 с.
-
Какая точка на диаграмме изменения состояния идеального газа данной массы соответствует наибольшему давлению?

-
Лазер мощностью 6,4 мВт излучает фотоны с энергией 2 эВ. Сколько
фотонов ежесекундно излучает лазер?
\((1эВ = 1,6 \cdot 10^{-16} Дж)\) -
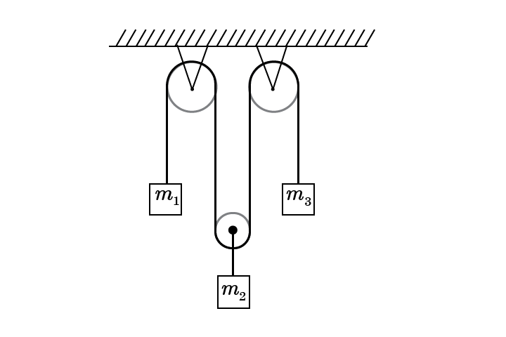
Под действием тела, масса которого \(m_2\) = 9 кг, система тел, изображенная на рисунке, двигается равномерно. Определить массы тел \(m_1\) и \(m_3\). (Блоки считать невесомыми).

-
Тело разгоняется на прямолинейном участке пути, при этом зависимость пройденного телом пути S от времени t имеет вид: S=50+2t+t\(^2\)(м). Определить скорость тела в момент
времени t=4 c
-
Протон влетел в однородное магнитное поле, описал дугу в \(\frac{1}{4}\) окружности и снова вылетел из поля. Найдите время его движения в магнитном поле. Индукция магнитного поля 1 мТл. Масса протона \(1,67 \cdot 10^{-27 \ кг},\) заряд \(1,6 \cdot 10^{-19} \ Кл.\)
-
Радиоактивный натрий 1124\(Na\) распадается с периодом полураспада 14,8 ч. Вычислите количество атомов, распавшихся в 1 мг данного радиоактивного препарата за 29,6 ч. \((N_A = 6.02 \cdot 10^{23}\)моль\(^{-1})\)
-
Определите, какой ток проходит через амперметр в цепи, изображенной на рисунке, если напряжение на концах цепи 30 B, \(R_1\)= 5 Ом, \(R_2\) = 10 Ом, \(R_3\) = 30 Ом, \(R_4\) = 2,5 Ом.

-
Определите энергию связи ядра урана 92238\(U.\)
\((m_p = 1.007276\) м. а. б., \(m_n = 1.008665\) м. а. б., \(M_я = 238.05077\) м. а. б., \(c^2 \cdot\) м. а. б. = \(931.5\) МэВ\()\)
-
Поток магнитной индукции в проводящем контуре меняется по закону Ф = 2+0,5t (Вб). Чему равна сила индукционного тока в контуре, если его сопротивление 2,5 Ом?
-
Для нагревания 800 моль одноатомного идеального газа на 500 К ему сообщили 9,4 МДж энергии. Вычислите работу газа. \(R = 8.31 \frac{Дж}{моль \ \cdot \ К}\)
-
К генератору переменного тока подключена электропечь, сопротивление которой 200 Ом. За 5 мин работы печи в ней выделяется 270 кДж теплоты. Каково амплитудное значение силы тока?
-
На рисунке представлен график зависимости координат от времени для тела, совершающего равнопеременное движение. Определить начальную скорость этого тела, на данной планете.

-
Установите соответствия между физическими величинами и их измерительными приборами.
-
Вес
-
Сила тока
-
В сосуде под поршнем находится идеальный газ. Если при нагревании газа его давление остается постоянным, то как изменятся величины:
-
плотность
-
внутренняя энергия
-
Груз изображенного на рисунке пружинного маятника совершает гармонические колебания между точками 1 и 3.

-
кинетическая энергия груза маятника от точки 2 к точке 1
-
модуль силы упругости пружины от точки 2 к точке 1
-
Плоский воздушный конденсатор образован двумя пластинами, несущими заряды +q и -q и находящимися на расстоянии d друг от друга. Не изменяя заряда на пластинах конденсатора и расстояния между пластинами, площадь его обкладок увеличивают в 2 раза. Как изменяется при этом следующие физические величины:
-
емкость конденсатора
-
модуль напряженности электрического поля внутри конденсатора
-
Мыльный пузырь надувают, изменяя его объем от 5 см\(^3\) до 20 см\(^3\). Какая при этом совершается работа, если коэффициент поверхностного натяжения раствора 50 мH/м?
-
К телу массой 10 кг подвешено на невесомой веревке тело массой 5 кг. Вся система движется ускоренно вверх под действием силы 300 Н, приложенной к первому телу. Найдите силу натяжения веревки.
-
Найдите ток короткого замыкания батареи, если при силе тока 2 А во внешней цепи выделяется мощность 24 Вт, а при силе тока 5А – мощность 30 Вт.
-
Если расстояние от предмета до линзы 36 см, то высота изображения 10 см. Если же расстояние от предмета до линзы 24 см, то высота изображения 20 см. Определите фокусное расстояние линзы.
-
В закрытом сосуде содержится идеальный газ. Во сколько раз возрастет давление, если средняя квадратичная скорость его молекул увеличить на 20%?
-
Установите соответствия между физическими величинами и их единицами измерения в системе СИ.
-
Скорость
-
Момент силы